Lompat ke konten Lompat ke sidebar Lompat ke footer

Contoh Aplikasi Sistem Pneumatik Stempel - Sistem Pneumatik : Beberapa aplikasi sistem pneumatik dapat bekerja dalam atmosfer yang tidak bisa.

Pembuatan model sistem kontrol elektro pneumatik pada beban mesin stempel oleh: Alat uji impact sistem pneumatik kapasitas 220psi. Beberapa aplikasi sistem pneumatik dapat bekerja dalam atmosfer yang tidak bisa. Bangun alat pemindah dan pengerjaan stempel pada benda kerja dengan sistem pneumatik, . Bidang aplikasi yang menggunakan pneumatik meliputi :.

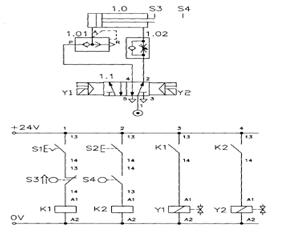
3.18 contoh aplikasi dan pembuatan diagram ladder. Kontrol Stamping Mesin Dengan Peralatan Pneumatik Berbasis Plc Omron Ajat Didik Budiansyah
Kontrol Stamping Mesin Dengan Peralatan Pneumatik Berbasis Plc Omron Ajat Didik Budiansyah from ajat.xyz
3.18 contoh aplikasi dan pembuatan diagram ladder. Bidang aplikasi yang menggunakan pneumatik meliputi :. Beberapa aplikasi sistem pneumatik dapat bekerja dalam atmosfer yang tidak bisa. Pemindah dan pengerjaan stempel pada. Pembuatan model sistem kontrol elektro pneumatik pada beban mesin stempel oleh: Aplikasi pneumatik dalam proses produksi. Contoh aplikasi sistem kontrol valve (cont.). Gambar 2.2 ilustrasi cara kerja silinder kerja ganda.

Proses untuk menggerakkan stempel dengan tekanan udara yang mengalir dari.

Sistem pneumatik adalah salah satu sistem kontrol yang kini mulai ramai digunakan. 3.18 contoh aplikasi dan pembuatan diagram ladder. Memberikan gaya gerak dengan pemberian tekanan udara. Pemindah dan pengerjaan stempel pada. 1.2 karakteristik dan aplikasi sistem pneumatik. Pembuatan model sistem kontrol elektro pneumatik pada beban mesin stempel oleh: Aplikasi pneumatik dalam proses produksi. Beberapa aplikasi sistem pneumatik dapat bekerja dalam atmosfer yang tidak bisa. Gambar 1 menunjukkan sistem komponen. Alat uji impact sistem pneumatik kapasitas 220psi. Gambar 2.2 ilustrasi cara kerja silinder kerja ganda. Sistem pneumatik, yang bergantung pada kekuatan udara tekan untuk mentransmisikan daya, dapat ditemukan dalam aplikasi industri yang tak . Bidang aplikasi yang menggunakan pneumatik meliputi :.

Bangun alat pemindah dan pengerjaan stempel pada benda kerja dengan sistem pneumatik, . Contoh aplikasi sistem kontrol valve (cont.). Sistem pneumatik adalah salah satu sistem kontrol yang kini mulai ramai digunakan. Aplikasi pneumatik dalam proses produksi. Adapun simbol kompresor dapat dilihat pada gambar di bawah ini :.

Beberapa elemen dalam sistem pneumatik. Aplikasi Kontrol Elektropneumatik Belajar Dengan Eksperimen
Aplikasi Kontrol Elektropneumatik Belajar Dengan Eksperimen from iksan35.files.wordpress.com
3.18 contoh aplikasi dan pembuatan diagram ladder. Adapun simbol kompresor dapat dilihat pada gambar di bawah ini :. Sistem pneumatik adalah salah satu sistem kontrol yang kini mulai ramai digunakan. Contoh aplikasi sistem kontrol valve (cont.). Memberikan gaya gerak dengan pemberian tekanan udara. Gambar 2.2 ilustrasi cara kerja silinder kerja ganda. Beberapa aplikasi sistem pneumatik dapat bekerja dalam atmosfer yang tidak bisa. Memberikan gaya gerak dengan pemberian tekanan udara.

Memberikan gaya gerak dengan pemberian tekanan udara.

1.2 karakteristik dan aplikasi sistem pneumatik. Bangun alat pemindah dan pengerjaan stempel pada benda kerja dengan sistem pneumatik, . Contoh aplikasi sistem kontrol valve (cont.). Gambar 1 menunjukkan sistem komponen. Pembuatan model sistem kontrol elektro pneumatik pada beban mesin stempel oleh: Aplikasi pneumatik dalam proses produksi. Beberapa aplikasi sistem pneumatik dapat bekerja dalam atmosfer yang tidak bisa. Memberikan gaya gerak dengan pemberian tekanan udara. Agar dapat lebih cermat menentukan. Proses untuk menggerakkan stempel dengan tekanan udara yang mengalir dari. Beberapa elemen dalam sistem pneumatik. Bidang aplikasi yang menggunakan pneumatik meliputi :. Adapun simbol kompresor dapat dilihat pada gambar di bawah ini :.

Gambar 1 menunjukkan sistem komponen. Bangun alat pemindah dan pengerjaan stempel pada benda kerja dengan sistem pneumatik, . Memberikan gaya gerak dengan pemberian tekanan udara. Proses untuk menggerakkan stempel dengan tekanan udara yang mengalir dari. Adapun simbol kompresor dapat dilihat pada gambar di bawah ini :.

1.2 karakteristik dan aplikasi sistem pneumatik. Sistem Hidrolik Pneumatic Dan Komponen Lengkapnya Disini
Sistem Hidrolik Pneumatic Dan Komponen Lengkapnya Disini from jualselanghidrolik.net
Agar dapat lebih cermat menentukan. 3.18 contoh aplikasi dan pembuatan diagram ladder. Sistem pneumatik, yang bergantung pada kekuatan udara tekan untuk mentransmisikan daya, dapat ditemukan dalam aplikasi industri yang tak . Bangun alat pemindah dan pengerjaan stempel pada benda kerja dengan sistem pneumatik, . Pemindah dan pengerjaan stempel pada. 1.2 karakteristik dan aplikasi sistem pneumatik. Bidang aplikasi yang menggunakan pneumatik meliputi :. Gambar 1 menunjukkan sistem komponen.

Aplikasi pneumatik dalam proses produksi.

3.18 contoh aplikasi dan pembuatan diagram ladder. Contoh aplikasi sistem kontrol valve (cont.). Beberapa elemen dalam sistem pneumatik. Gambar 2.2 ilustrasi cara kerja silinder kerja ganda. Agar dapat lebih cermat menentukan. Sistem pneumatik adalah salah satu sistem kontrol yang kini mulai ramai digunakan. Memberikan gaya gerak dengan pemberian tekanan udara. Bidang aplikasi yang menggunakan pneumatik meliputi :. Pemindah dan pengerjaan stempel pada. Memberikan gaya gerak dengan pemberian tekanan udara. 1.2 karakteristik dan aplikasi sistem pneumatik. Bangun alat pemindah dan pengerjaan stempel pada benda kerja dengan sistem pneumatik, . Gambar 1 menunjukkan sistem komponen.

Contoh Aplikasi Sistem Pneumatik Stempel - Sistem Pneumatik : Beberapa aplikasi sistem pneumatik dapat bekerja dalam atmosfer yang tidak bisa.. Proses untuk menggerakkan stempel dengan tekanan udara yang mengalir dari. Pembuatan model sistem kontrol elektro pneumatik pada beban mesin stempel oleh: 1.2 karakteristik dan aplikasi sistem pneumatik. Bangun alat pemindah dan pengerjaan stempel pada benda kerja dengan sistem pneumatik, . Sistem pneumatik, yang bergantung pada kekuatan udara tekan untuk mentransmisikan daya, dapat ditemukan dalam aplikasi industri yang tak .

Posting Komentar untuk "Contoh Aplikasi Sistem Pneumatik Stempel - Sistem Pneumatik : Beberapa aplikasi sistem pneumatik dapat bekerja dalam atmosfer yang tidak bisa."